Български
|
Номер на модела |
SG - dtm06u (c, m) 2 - x |
SG - DTM06U (C, M) 2 - TX |
SG - DTM03U (C, M) 2 - x |
SG - DTM03U (C, M) 2 - TX |
SG - DTM02U (C) 2 - X. |
SG - DTM02U (C) 2 - TX |
|
Термичен модул |
||||||
|
Сензор за изображение |
Неохладен Vox микроболометър |
|||||
|
Интервал на пиксел |
12 μm |
|||||
|
Вълнена лента за отговор |
8 μm до 14 μm |
|||||
|
Макс. Резолюция |
640 × 512 |
384 × 228 |
256 × 192 |
|||
|
Скорост на кадрите (FPS) |
50 |
25 |
50 |
25 |
50 |
25 |
|
Обектив (фокусно разстояние) |
9.1/13/19/25 мм |
9.1/13 мм |
4/7/10 мм |
|||
|
F номер |
F1.0/ f1.0/ f1.1/ f1.2 |
F1.0 |
F1.0 |
|||
|
Поле на зрителното поле (H × V) |
45,9 ° × 36,9 °/32,9 ° × 26,6 °/ 22.6 ° × 18.2 °/17.3 ° × 13.8 ° |
28.7 ° × 21.7 °/20.1 ° × 15.1 ° |
46,8 ° × 34,1 °/24,6 ° × 18,5 °/16,9 ° × 12,8 ° |
|||
|
Измерване на температурата |
N/a |
Подкрепа |
N/a |
Подкрепа |
N/a |
Подкрепа |
|
Измерване на температурата |
||||||
|
Температурен диапазон |
LT режим: - 20 ° C ~+150 ° C; HT режим: 0 ° C ~+550 ° C. |
|||||
|
Грешка в измерването |
Макс (± 2 ° C, ± 2%); Работна температура: - 20 ° C ~+50 ° C. |
|||||
|
Дисплей на изображението |
||||||
|
Регулиране на изображението |
Яркост, контраст, острота |
|||||
|
Подобряване на детайлите |
Подкрепа |
|||||
|
Печалба |
Автоматично/ръчно |
|||||
|
Намаляване на шума |
2d/3d |
|||||
|
Flip |
Подкрепа |
|||||
|
Огледало |
Подкрепа |
|||||
|
Псевдо - цвят |
18 палитри от цвят регулируеми |
|||||
|
Кръстосано |
Показване/изчезване/скриване |
|||||
|
Обработка на изображения |
NUC корекция, цифров филтър за шум, DDE |
|||||
|
Видео |
||||||
|
Видео изход |
UVC/BT.656/MIPI/LVDS/CVBS |
UVC/CVBS |
||||
|
Интерфейс за разширяване |
Usb/mipi/cvbs/type - c |
Usb/cvbs/type - c |
||||
|
Серийна комуникация |
UART сериен порт |
|||||
|
Общи |
||||||
|
Мощност |
DC 4.5 ~ 5.5V; CVBS: DC 4.5–20V |
|||||
|
Консумация на енергия |
≤0.7w@25 ° С |
≤0.7w@25 ° С |
≤0.55w@25 ° С |
|||
|
Работна температура |
- 40 ° C ~ 70 ° C. |
|||||
|
Температура на съхранение |
- 40 ° C ~ 80 ° C. |
|||||
|
Работна влажност |
≤95% RH (не - кондензиране) |
|||||
|
Шок |
6.06g случайно, 3 - Оста, вибрация на синусоида |
|||||
|
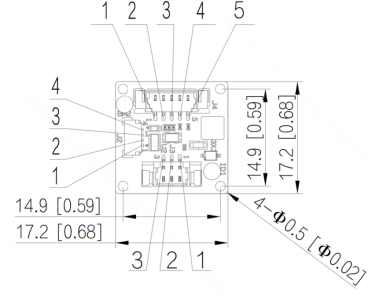
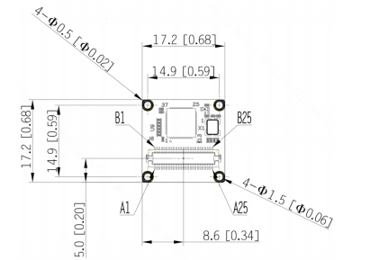
Измерение |
17.3mm*17.3mm*10.8mm (без опашна плоча на пръстена на лещата)) |
|||||
|
Тегло |
5G (без опашка на пръстена на лещата)) |
|||||




Оставете съобщението си

